智能互感器測試儀CT測試時的接線方式
智能互感器測試儀在三角形接法變壓器上進行CT測試的接線方式如圖18所示。
圖18 智能互感器測試儀在三角形接法變壓器上進行測試時的接線方式
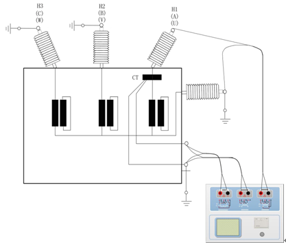
2)智能互感器測試儀進行變壓器套管CT測試時的接線方式如圖19所示。
注意:一次端子H1不能接地,否則一次側都接地了,則智能互感器測試儀不能獲取正確結果。
圖19 智能互感器測試儀對變壓器上套管CT進行測試時的接線方式
2)智能互感器測試儀進行變壓器套管CT測試時的接線方式如圖19所示。
注意:一次端子H1不能接地,否則一次側都接地了,則智能互感器測試儀不能獲取正確結果。





